Двигатели постоянного тока бесколлекторные (BLDC) 3000 Вт, Golden Motor HPM3KW

Модификации
В наличии, уточняйте
70 000 РУБ
Артикул: 855
  • Доставка
    По России ТК СДЭК и почтой России
  • Есть вопросы?
    Консультация в
  • Гарантия
    Документация на все товары
  • Низкие цены
    Акции и скидки

Бесколлекторные (BLDC) моторы серии HPM3KW без редуктора, с датчиками Холла применяются там, где нужна высокая скорость вращения, компактность и небольшой момент на валу:

  • лёгкий скоростной электротранспорт (картинг)
  • водный транспорт (лодки, катамараны)
  • насосы, вентиляторы, компрессоры, воздуходувки, турбины
  • центрифуги, миксеры, мешалки
  • приводы шпинделей станков
  • робототехника

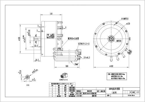
Характеристики

Номинальная выходная мощность, Вт 3000
Номинальное напряжение, В 48/72
Номинальный ток, А 75/55
Максимальный ток, А 240/220
Длительность максимального тока допустимая, с 10
Номинальная скорость вращения, об/мин 3600
Номинальный крутящий момент, Н*м 8
Максимальный крутящий момент, Н*м 25
КПД, % 90
Количество пар полюсов, шт 4
Класс защиты IP65
    Отзывы о товаре отсутствуют.
Добавить отзыв

Текст — Доставка и оплата

Текст — Как сделать заказ