0
Магазин:
+7 (903) 125-42-51
Услуги:
+7 (903) 125-42-51
Напишите в WhatsApp
vasb@fuhen-znfgre.eh
Пн-пт: 11:00–19:00
сб: 11:00–18:00
вск: выходной
Каталог
Аккумуляторы, АКБ и комплектующие
Аккумуляторы Li-ion
Аккумуляторные батареи
Альтернативная энергия
Солнечные модули Sunways серии ФСМ
Автономные солнечные энергосистемы до 2500Вт
Портативные аккумуляторные электростанции
Беспилотные авиационные системы
Привязные системы квадрокоптеров
АКБ для БАС
Центры управления полетами
FPV комплектующие
Зарядные станции
Квадрокоптеры Станции Зарядные
Шуруповерты Станции Зарядные
Портативные зарядные станции
Зарядные устройства
Сетевые ЗУ
Оборудование технологическое
Гриндеры
Термопластавтоматы
Печь для плавки металлов
Пресс-формы для литья пластика и пластмасс
Полимерное сырье, гранулы пластика для литья
Электротележки и комплектующие
Моторы BLDC
Электротележки
Тачки электрические
Мотор-привода для гидравлических тележек (электророхля)
Мотор-колеса для тележек
Контроллеры BLDC
АКБ для электротележек
Запчасти для электротачек
Тележки для кемпинга
Сельскохозяйственные тележки и роботы
Строительные тележки и прицепы
Автоботы, роверы
Электроинструмент
Ремкомплекты для аккумуляторов электроинструмента
Шуруповерты
УШМ
Перфораторы
Машинка шлифовальная
Аккумуляторные торцовочные пилы
Сварочный аппарат
Электрические Пилы
Строительные фены
О нас
Статьи
Услуги
Оборудование, комплектующие и инструмент для мастеров
0
0
0
В корзине пусто
Главная
Каталог
Электротележки и комплектующие
Мотор-колеса для тележек
Мотор колесо 6" 300 Ватт, редукторное, консольное, для тележки
Мотор колесо 6" 300 Ватт, редукторное, консольное, для тележки
В наличии, уточняйте
12 100 РУБ
Артикул:
621
В корзину
Купить в один клик
В избранное
В сравнение
Доставка
По России ТК СДЭК и почтой России
Есть вопросы?
Консультация в
WhatsApp
Гарантия
Документация на все товары
Низкие цены
Акции и скидки
Описание
Отзывы
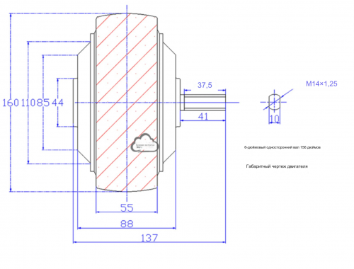
Мотор колесо 6" 300 Ватт, редукторное, консольное, для тележки.
Основные параметры представлены на фото.
Отзывы о товаре отсутствуют.
Добавить отзыв
Оценка
Выберите оценку
Плохо
Нормально
Средне
Хорошо
Прекрасно
Имя
E-mail
Тема
Текст отзыва
Код на картинке
Обновить код
Отправить
Похожие товары
В наличии, уточняйте
Арт.:
719
Мотор-колесо электротачки 350Вт, 36В, набор без АКБ, Мод.КХ
В наличии, мало
Арт.:
620
Мотор колесо 6" 350 Ватт, редукторное, для тележки
В наличии, уточняйте
Арт.:
714
Мотор-колесо электротачки 350Вт, 36В под Greenworks, комплект
1 отзыв
В наличии, уточняйте
Арт.:
721
Мотор-колесо электротачки 350Вт, 36В под Greenworks, комплект, Мод.КХ
В наличии, уточняйте
Арт.:
589
Мотор колесо 13" 600 Ватт редукторное, консольное, для электротележки
Меню
0
Избранное
0
Корзина
Каталог
Интернет магазин Shura-Master
Аккумуляторы, АКБ и комплектующие
Альтернативная энергия
Беспилотные авиационные системы
Зарядные станции
Зарядные устройства
Оборудование технологическое
Электротележки и комплектующие
Электроинструмент
Каталог
О нас
Статьи
Услуги
Контакты
Обратная связь
Оплата и доставка
Условия возврата
Публичная оферта
Карта сайта
Многоканальный РФ
+7 (903) 125-42-51